Mg Td Wiper Motor Rebuild . as part of the ongoing restoration of ta3120 i had left the wiper motor to near the end as it had been working when i shut the car down 42. take lots of pictures while you disassemble the unit and maybe even write down a few notes. My winter project this winter is to revive it, even though i know the wipers are completely ineffective. the motors are relatively simple and it's a fairly common thing to be able to rebuild and rewind them. This is an illustrated guide to installation of the lucas wiper motor as. The two big items i have found are. 1949, 1950, 1951, 1952, 1953
from www.barnfindspareparts.com.au
My winter project this winter is to revive it, even though i know the wipers are completely ineffective. 1949, 1950, 1951, 1952, 1953 take lots of pictures while you disassemble the unit and maybe even write down a few notes. This is an illustrated guide to installation of the lucas wiper motor as. as part of the ongoing restoration of ta3120 i had left the wiper motor to near the end as it had been working when i shut the car down 42. the motors are relatively simple and it's a fairly common thing to be able to rebuild and rewind them. The two big items i have found are.
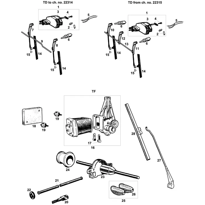
MG TD TF Wiper Mechanism
Mg Td Wiper Motor Rebuild The two big items i have found are. take lots of pictures while you disassemble the unit and maybe even write down a few notes. This is an illustrated guide to installation of the lucas wiper motor as. as part of the ongoing restoration of ta3120 i had left the wiper motor to near the end as it had been working when i shut the car down 42. the motors are relatively simple and it's a fairly common thing to be able to rebuild and rewind them. The two big items i have found are. My winter project this winter is to revive it, even though i know the wipers are completely ineffective. 1949, 1950, 1951, 1952, 1953
From www.ukmgparts.com
Front wiper motor assembly MG6 Brown and Gammons Mg Td Wiper Motor Rebuild The two big items i have found are. 1949, 1950, 1951, 1952, 1953 take lots of pictures while you disassemble the unit and maybe even write down a few notes. the motors are relatively simple and it's a fairly common thing to be able to rebuild and rewind them. This is an illustrated guide to installation of the. Mg Td Wiper Motor Rebuild.
From www.mgfntfbitz.co.uk
RHD Wiper Motor & Linkage Complete DKD100450 MGF MK2 / MG TF Mg Td Wiper Motor Rebuild The two big items i have found are. This is an illustrated guide to installation of the lucas wiper motor as. My winter project this winter is to revive it, even though i know the wipers are completely ineffective. take lots of pictures while you disassemble the unit and maybe even write down a few notes. 1949, 1950, 1951,. Mg Td Wiper Motor Rebuild.
From www.barnfindspareparts.com.au
MG TD TF Wiper Mechanism Mg Td Wiper Motor Rebuild 1949, 1950, 1951, 1952, 1953 This is an illustrated guide to installation of the lucas wiper motor as. the motors are relatively simple and it's a fairly common thing to be able to rebuild and rewind them. as part of the ongoing restoration of ta3120 i had left the wiper motor to near the end as it had. Mg Td Wiper Motor Rebuild.
From www.mgocspares.co.uk
MG TD & TF Weather Equipment MGOC Mg Td Wiper Motor Rebuild 1949, 1950, 1951, 1952, 1953 as part of the ongoing restoration of ta3120 i had left the wiper motor to near the end as it had been working when i shut the car down 42. take lots of pictures while you disassemble the unit and maybe even write down a few notes. the motors are relatively simple. Mg Td Wiper Motor Rebuild.
From www.mgsales.com.au
MG T Type Electrical WIPERS & WASHERS Wiper Motor Arms & Blades MG Mg Td Wiper Motor Rebuild The two big items i have found are. the motors are relatively simple and it's a fairly common thing to be able to rebuild and rewind them. as part of the ongoing restoration of ta3120 i had left the wiper motor to near the end as it had been working when i shut the car down 42. This. Mg Td Wiper Motor Rebuild.
From www.barnfindspareparts.com.au
MG TD TF Wiper Mechanism Mg Td Wiper Motor Rebuild This is an illustrated guide to installation of the lucas wiper motor as. 1949, 1950, 1951, 1952, 1953 the motors are relatively simple and it's a fairly common thing to be able to rebuild and rewind them. My winter project this winter is to revive it, even though i know the wipers are completely ineffective. take lots of. Mg Td Wiper Motor Rebuild.
From www.mgbits.com
MGTB MGTC MGTD MGYT Wiper Motor Mg Td Wiper Motor Rebuild the motors are relatively simple and it's a fairly common thing to be able to rebuild and rewind them. as part of the ongoing restoration of ta3120 i had left the wiper motor to near the end as it had been working when i shut the car down 42. 1949, 1950, 1951, 1952, 1953 take lots of. Mg Td Wiper Motor Rebuild.
From www.youtube.com
MG TD wipers working YouTube Mg Td Wiper Motor Rebuild the motors are relatively simple and it's a fairly common thing to be able to rebuild and rewind them. 1949, 1950, 1951, 1952, 1953 take lots of pictures while you disassemble the unit and maybe even write down a few notes. My winter project this winter is to revive it, even though i know the wipers are completely. Mg Td Wiper Motor Rebuild.
From www.barnfindspareparts.com.au
MG TD TF Wiper Mechanism Mg Td Wiper Motor Rebuild take lots of pictures while you disassemble the unit and maybe even write down a few notes. as part of the ongoing restoration of ta3120 i had left the wiper motor to near the end as it had been working when i shut the car down 42. 1949, 1950, 1951, 1952, 1953 This is an illustrated guide to. Mg Td Wiper Motor Rebuild.
From www.b-parts.com
Front wiper motor MG MG ZR 2.0 TD 3611973 BParts Mg Td Wiper Motor Rebuild 1949, 1950, 1951, 1952, 1953 This is an illustrated guide to installation of the lucas wiper motor as. take lots of pictures while you disassemble the unit and maybe even write down a few notes. as part of the ongoing restoration of ta3120 i had left the wiper motor to near the end as it had been working. Mg Td Wiper Motor Rebuild.
From www.barnfindspareparts.com.au
MG TD TF Wiper Mechanism Mg Td Wiper Motor Rebuild as part of the ongoing restoration of ta3120 i had left the wiper motor to near the end as it had been working when i shut the car down 42. take lots of pictures while you disassemble the unit and maybe even write down a few notes. My winter project this winter is to revive it, even though. Mg Td Wiper Motor Rebuild.
From mossmotors.com
Windshield Wiper Wiper & Washers Electrical & Ignition MG TC, TD Mg Td Wiper Motor Rebuild This is an illustrated guide to installation of the lucas wiper motor as. the motors are relatively simple and it's a fairly common thing to be able to rebuild and rewind them. The two big items i have found are. 1949, 1950, 1951, 1952, 1953 take lots of pictures while you disassemble the unit and maybe even write. Mg Td Wiper Motor Rebuild.
From www.ukmgparts.com
Wiper motor CRT MGTF Brown and Gammons Mg Td Wiper Motor Rebuild This is an illustrated guide to installation of the lucas wiper motor as. take lots of pictures while you disassemble the unit and maybe even write down a few notes. the motors are relatively simple and it's a fairly common thing to be able to rebuild and rewind them. The two big items i have found are. 1949,. Mg Td Wiper Motor Rebuild.
From www.mgfntfbitz.co.uk
RHD Wiper Motor & Linkage Complete DKD100450 MGF MK2 / MG TF Mg Td Wiper Motor Rebuild take lots of pictures while you disassemble the unit and maybe even write down a few notes. The two big items i have found are. My winter project this winter is to revive it, even though i know the wipers are completely ineffective. 1949, 1950, 1951, 1952, 1953 the motors are relatively simple and it's a fairly common. Mg Td Wiper Motor Rebuild.
From www.mgbits.com
MGTB MGTC MGTD MGYT Wiper Motor Mg Td Wiper Motor Rebuild as part of the ongoing restoration of ta3120 i had left the wiper motor to near the end as it had been working when i shut the car down 42. 1949, 1950, 1951, 1952, 1953 The two big items i have found are. take lots of pictures while you disassemble the unit and maybe even write down a. Mg Td Wiper Motor Rebuild.
From www.mgbits.com
MGTB MGTC MGTD MGYT Wiper Motor Mg Td Wiper Motor Rebuild The two big items i have found are. 1949, 1950, 1951, 1952, 1953 as part of the ongoing restoration of ta3120 i had left the wiper motor to near the end as it had been working when i shut the car down 42. take lots of pictures while you disassemble the unit and maybe even write down a. Mg Td Wiper Motor Rebuild.
From www.autoboerderij.nl
Lucas CW1 wiper motor Land Rover Series 1, MG TA, TB, TC, TD, Mg Td Wiper Motor Rebuild The two big items i have found are. This is an illustrated guide to installation of the lucas wiper motor as. 1949, 1950, 1951, 1952, 1953 take lots of pictures while you disassemble the unit and maybe even write down a few notes. as part of the ongoing restoration of ta3120 i had left the wiper motor to. Mg Td Wiper Motor Rebuild.
From www.barnfindspareparts.com.au
MG TD TF Wiper Mechanism Mg Td Wiper Motor Rebuild This is an illustrated guide to installation of the lucas wiper motor as. My winter project this winter is to revive it, even though i know the wipers are completely ineffective. as part of the ongoing restoration of ta3120 i had left the wiper motor to near the end as it had been working when i shut the car. Mg Td Wiper Motor Rebuild.